第7节 驱动外设
在本节中,你将了解 ESP32-S3 芯片的常用外设、引脚复用和重映射机制(IO MUX 与 GPIO 矩阵)、外设驱动的通用开发流程,以及如何查找和利用官方文档资源进行开发。
1. 外设简介
ESP32 系列芯片集成了丰富的外设接口,能够高效实现与传感器、显示器、存储设备等外部器件的通信,从而完成数据采集、信号控制、信息传输及图像传输等核心功能。
但由于硬件设计差异,不同型号芯片的外设特性有所不同,如外设数量、GPIO 引脚复用能力及重映射支持等。具体差别可通过 ESP 芯片&模组选型工具 查阅对应的技术规格书。
本文将以 ESP32-S3 芯片为例讲解。

下表涵盖常用外设的核心用途。
外设 | 用途 |
---|---|
LEDC | 多通道 PWM 输出,调光、调速等 |
I2C | 双线串行通信,连接传感器、存储器等 |
SPI | 高速全双工通信,连接 Flash、屏幕、传感器等 |
UART | 串口通信,调试、外设数据收发 |
ADC | 模拟信号采集 |
I2S | 音频/多媒体数据传输,支持全双工/半双工 |
LCD_CAM | 并行 LCD/摄像头接口,视频数据收发 |
RMT | 红外遥控、脉冲信号收发 |
TWAI(CAN) | 车载 CAN 通信 |
Touch | 板载电容式触摸传感器 |
USB-OTG | USB 通信(如 USB 2.0 OTG) |
USB/JTAG | 调试与下载接口 |
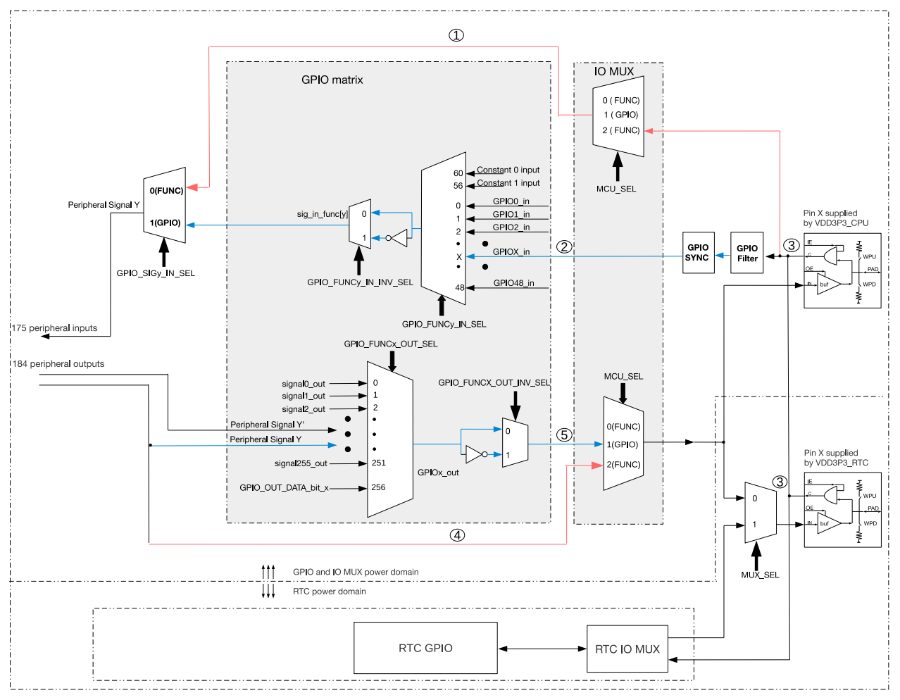
2. IO MUX 和 GPIO 交换矩阵
ESP32-S3 芯片具有 45 个物理通用输入输出引脚(GPIO Pin)。每个引脚都可以用作通用输入输出,或连接内部外设信号。通过 GPIO 交换矩阵、IO MUX 和 RTC IO MUX,可以将外设模块的输入信号配置为来自任意 GPIO 引脚,外设模块的输出信号也可以连接到任意 GPIO 引脚。这些模块共同构成了芯片的输入输出控制系统。
IO MUX(输入/输出多路复用器)和 GPIO 矩阵是 ESP32 系列芯片实现引脚复用和灵活外设信号分配的两大核心机制。

2.1 IO MUX
IO MUX 是芯片内部的多路复用器,允许同一引脚在不同时间执行不同功能。
每个管脚可通过 IO_MUX 寄存器配置为不同的功能。每个引脚可通过 IO MUX 选择:
- 直接来自高速外设(如 SPI、JTAG、UART 等)的直连信号,获得更好的高频性能,但灵活性较低。
- 来自 GPIO 交换矩阵的信号。
典型应用:
如 SPI 总线的高速信号,建议使用 IO MUX 直连管脚以获得最高的时钟频率和最小的延迟。
2.2 GPIO 交换矩阵 (GPIO Matrix)
GPIO 矩阵(GPIO Matrix)是一种硬件结构,允许将外设的输入/输出信号动态地映射到任意可用的 GPIO 引脚,从而为引脚功能分配提供灵活性。通过 GPIO 矩阵,外设的输入信号可以来自任意 GPIO 引脚,外设的输出信号也可以被路由到任意 GPIO 引脚。
特点:
- 绝大多数外设输入/输出信号都可以通过 GPIO 矩阵映射到任意 GPIO。
- 灵活性高,便于硬件设计和引脚冲突规避。
- 会引入一定的信号延迟,对高速信号有频率限制(如 SPI 最高 40MHz,IO_MUX 可达 80MHz)。详见ESP-IDF SPI 主机驱动文档。
典型应用:
如 I2C、UART、PWM、LED 控制等外设,可以通过 GPIO 矩阵自由分配到任意支持的 GPIO 上。
3. 外设开发通用流程
- 头文件与驱动库引入:如
driver/gpio.h
、driver/i2c.h
等 - CMakeLists.txt 或 idf_component.yml 依赖声明
- 初始化结构体配置:如
gpio_config_t
、i2c_config_t
- 初始化函数调用:如
gpio_config()
、i2c_param_config()
- 外设操作:如
gpio_set_level()
、i2c_master_write()
等 - 资源释放:如 I2C 驱动卸载
4. 外设开发文档资源
想要开发指定外设,建议参考以下资料(以 ESP32-S3-Zero 开发板为例):
- 《ESP32-S3 技术规格书》:了解芯片支持的外设种类、主要参数和基本功能。ESP32-S3 技术规格书
- 《ESP32-S3 技术参考手册》:详细介绍各外设(如 UART、I2C、I2S、SPI、LCD、Camera 等)的使用方法、寄存器说明和配置方式。ESP32-S3 技术参考手册
- ESP-IDF 编程指南:查找外设相关的 API 用法、驱动示例和开发流程,适合初学者快速上手。
- 开发板用户手册/原理图:了解开发板上外设的具体引脚分配和硬件连接,避免硬件冲突。
- 外设示例与组件:ESP-IDF 自带了丰富的外设示例代码,还有外设案例说明,介绍常见外设的用途和注意事项。
- ESP32 官方 FAQ:官方 FAQ 文档对外设开发中常见的问题、配置方法、注意事项等进行了总结,适合查找具体问题的解答。ESP-FAQ 外设部分
这些资料可以帮助你快速定位外设开发的关键点,结合官方示例代码实践效果更佳。如有疑问,也可参考ESP32 官方论坛与社区交流。